Пантограф

В этом эксперименте мы вращаем сервопривод на угол, задаваемый потенциометром.

Прочтите перед выполнением

Список деталей для эксперимента

  • 1 плата Arduino Uno

  • 1 беспаечная макетная плата

  • 1 сервопривод

  • 1 конденсатор ёмкостью 220 мкФ

  • 1 потенциометр

  • 11 проводов «папа-папа»

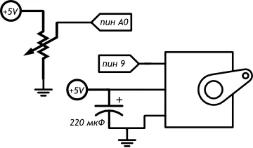
Принципиальная схема

Схема

Схема на макетке:

Схема на макетке

Обратите внимание:

  • Конденсатор в данной схеме нам нужен для того, чтобы при включении сервопривода избежать просадки питания платы.

  • Не забывайте про то, что нужно соблюдать полярность элетролитического конденсатора. Короткая ножка (со стороны белой полосы на корпусе) — «минус».

  • Вы можете соединить провод сервопривода с макетной платой проводами «папа-папа»: коричневый это земля, красный — питание, оранжевый — сигнал.

  • В данном эксперименте мы подключаем питние сервопривода к 5V-выходу Arduino. С одним сервоприводом плата справится, но если в каком-либо проекте вам нужно больше серв, используйте специальные платы-драйвера с отдельным источником питания для серв.

Код:

pantograph.ino
// управлять сервоприводами (англ. servo motor) самостоятельно
// не так то просто, но в стандартной библиотеке уже всё
// заготовлено, что делает задачу тривиальной
#include <Servo.h>
#define POT_MAX_ANGLE 270.0 // макс. угол поворота потенциометра
// объявляем объект типа Servo с именем myServo. Ранее мы
// использовали int, boolean, float, а теперь точно также
// используем тип Servo, предоставляемый библиотекой. В случае
// Serial мы использовали объект сразу же: он уже был создан
// для нас, но в случае с Servo, мы должны сделать это явно.
// Ведь в нашем проекте могут быть одновременно несколько
// приводов, и нам понадобится различать их по именам
Servo myServo;
void setup()
{
  // прикрепляем (англ. attach) нашу серву к 9-му пину. Явный
  // вызов pinMode не нужен: функция attach сделает всё за нас
  myServo.attach(9);
}
void loop()
{
  int val = analogRead(A0);
  // на основе сигнала понимаем реальный угол поворота движка.
  // Используем вещественные числа в расчётах, но полученный
  // результат округляем обратно до целого числа
  int angle = int(val / 1024.0 * POT_MAX_ANGLE);
  // обычная серва не сможет повторить угол потенциометра на
  // всём диапазоне углов. Она умеет вставать в углы от 0° до
  // 180°. Ограничиваем угол соответствующе
  angle = constrain(angle, 0, 180);
  // и, наконец, подаём серве команду встать в указанный угол
  myServo.write(angle);
}

Пояснения к коду

В данном эксперименте мы также имеем дело с объектом, на этот раз он нужен для простого управления сервоприводом. Как отмечено в комментариях, в отличие от объекта Serial, объекты типа Servo нам нужно явно создать:

  • Servo myServo — предварительно подключив библиотеку <Servo.h>.

Далее мы используем два метода для работы с ним:

  • myServo.attach(pin) — сначала «подключаем» серву к порту, с которым физически соединён его сигнальный провод. pinMode() не нужна — метод attach() займётся этим.

  • myServo.write(angle) — задаём угол, т.е. позицию, которую должен принять вал сервопривода. Обычно это диапазон 0–180°.

myServo здесь — это имя объекта, идентификатор, который мы придумываем так же, как названия переменных. Например, если вы хотите управлять двумя захватами, у вас могут быть объекты leftGrip и rightGrip.

Также мы использовали функцию int() для явного преобразования числа с плавающей точкой в целочисленное значение. Она принимает в качестве параметра значение любого типа, а возвращает целое число. Когда в одном выражении мы имеем дело с различными типами данных, нужно позаботиться о том, чтобы не получить непредсказуемый ошибочный результат.

Вопросы для проверки себя

  1. Зачем нужен конденсатор при включении в схему сервопривода?

  2. Каким образом библиотека <Servo.h> позволяет нам работать с сервоприводом?

  3. Зачем мы ограничиваем область допустимых значений для angle?

  4. Как быть уверенным в том, что в переменную типа int после вычислений попадёт корректное значение?