Двухполупериодный мостовой выпрямитель

Существует ещё одна, более популярная конструкция двухполупериодного выпрямителя, построенная на основе четырёхдиодной мостовой конфигурации. Она известна как двухполупериодный мостовой выпрямитель или просто мостовой выпрямитель.

Преимущество этого типа конструкции перед версией с центральным отводом заключается в том, что она не требует специального трансформатора с центральным отводом, что значительно уменьшает размеры и стоимость.

Кроме того, в этой конструкции используется всё вторичное напряжение в качестве входного для выпрямителя. При одном и том же трансформаторе мостовой выпрямитель обеспечивает вдвое большее пиковое напряжение и вдвое большее постоянное напряжение по сравнению с двухполупериодным выпрямителем с центральным отводом.

Именно поэтому мостовые выпрямители используются гораздо чаще, чем двухполупериодные выпрямители с центральным отводом.

Двухполупериодный мостовой выпрямитель

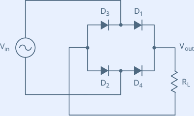
Для выпрямления обоих полупериодов синусоиды мостовой выпрямитель использует четыре диода, соединённых вместе в «мостовую» конфигурацию. Вторичная обмотка трансформатора подключена к одной стороне диодной мостовой схемы, а нагрузка — к другой стороне.

На следующем изображении показана схема мостового выпрямителя.

двухполупериодный мостовой выпрямитель

Работу этой схемы легко понять, рассматривая каждый полупериод по отдельности.

Во время положительного полупериода источника диоды D1 и D2 проводят ток, а D3 и D4 находятся в состоянии обратного смещения. Это создаёт положительное напряжение нагрузки на нагрузочном резисторе (обратите внимание на полярность «плюс-минус» на нагрузочном резисторе).

мостовой выпрямитель во время положительного полупериода

Во время следующего полупериода полярность напряжения источника меняется на противоположную. Теперь D3 и D4 смещены в прямом направлении, а D1 и D2 — в обратном. Это также создаёт положительное напряжение нагрузки на нагрузочном резисторе, как и прежде.

мостовой выпрямитель во время отрицательного полупериода

Обратите внимание, что независимо от полярности входного сигнала, напряжение на нагрузке имеет одинаковую полярность, а ток нагрузки течёт в одном и том же направлении.

Таким образом, схема преобразует входное переменное напряжение в пульсирующее постоянное выходное напряжение.

двухполупериодный сигнал

Если вам трудно запомнить правильное расположение диодов в схеме мостового выпрямителя, вы можете обратиться к альтернативному представлению схемы. Это точно такая же схема, за исключением того, что все диоды расположены горизонтально и направлены в одну сторону.

альтернативное представление мостового выпрямителя

Постоянная составляющая двухполупериодного сигнала

Поскольку мостовой выпрямитель создаёт двухполупериодный выходной сигнал, формула для расчёта среднего значения постоянного напряжения такая же, как и для двухполупериодного выпрямителя:

формула постоянной составляющей двухполупериодного сигнала

Это уравнение говорит нам, что постоянная составляющая двухполупериодного сигнала составляет примерно 63,6 процента от пикового значения. Например, если пиковое напряжение двухполупериодного сигнала равно 10 В, постоянное напряжение составит 6,36 В.

Когда вы измеряете полуволновой сигнал вольтметром постоянного тока, показание будет равно среднему значению постоянной составляющей.

Приближение второго порядка

В действительности мы не получаем идеальное двухполупериодное напряжение на нагрузочном резисторе. Из-за потенциального барьера диод не включается, пока напряжение источника не достигнет примерно 0,7 В.

А поскольку мостовой выпрямитель одновременно работает с двумя диодами, два падения напряжения на диодах (0,7 * 2 = 1,4 В) теряются в диоде. Поэтому пиковое выходное напряжение определяется формулой:

формула пикового выходного напряжения мостового выпрямителя

Частота выходного сигнала

Двухполупериодный выпрямитель инвертирует каждый отрицательный полупериод, удваивая количество положительных полупериодов. Благодаря этому двухполупериодный выходной сигнал имеет вдвое больше циклов, чем входной.

Поэтому частота двухполупериодного сигнала равна удвоенной частоте входного сигнала.

формула частоты двухполупериодного сигнала

Например, если частота сети составляет 60 Гц, частота выходного сигнала будет 120 Гц.

Фильтрация выходного сигнала выпрямителя

Выходной сигнал, который мы получаем от двухполупериодного выпрямителя, представляет собой пульсирующее постоянное напряжение, которое увеличивается до максимума, а затем уменьшается до нуля.

Нам не нужно такое постоянное напряжение. Нам нужно стабильное и постоянное напряжение, свободное от каких-либо колебаний напряжения или пульсаций, такое, какое мы получаем от батареи.

Чтобы получить такое напряжение, нам нужно отфильтровать двухполупериодный сигнал. Один из способов сделать это — подключить конденсатор, известный как сглаживающий конденсатор, параллельно нагрузочному резистору, как показано ниже.

мостовой выпрямитель со сглаживающим конденсатором

Изначально конденсатор разряжен. В течение первой четверти периода диоды D1 и D2 смещены в прямом направлении, и конденсатор начинает заряжаться. Зарядка продолжается до тех пор, пока входное напряжение не достигнет своего пикового значения. В этот момент напряжение на конденсаторе равно Vp.

После того как входное напряжение достигает пика, оно начинает уменьшаться. Как только входное напряжение становится меньше Vp, напряжение на конденсаторе превышает входное напряжение, что приводит к выключению диодов.

Поскольку диоды выключены, конденсатор разряжается через нагрузочный резистор и обеспечивает ток нагрузки до прихода следующего пика.

Когда приходит следующий пик, диоды D3 и D4 кратковременно проводят ток и подзаряжают конденсатор до пикового значения.

отфильтрованный двухполупериодный сигнал

Недостаток

Единственным недостатком мостового выпрямителя является то, что выходное напряжение на два падения напряжения на диодах (1,4 В) меньше входного напряжения.

Этот недостаток является проблемой только в источниках питания с очень низким напряжением. Например, если пиковое напряжение источника составляет всего 5 В, напряжение на нагрузке будет иметь пик всего 3,6 В. Но если пиковое напряжение источника равно 100 В, напряжение на нагрузке будет близко к идеальному двухполупериодному напряжению (падениями напряжения на диодах можно пренебречь).