HC-05 FC-114 и HC-06 FC-114. Первый взгляд

Оригинал статьи: Martyn Currey

Я только что получил новые Bluetooth-модули HC-05 и HC-06. Они продавались как zs-040 — именно тот модуль, который мне был нужен, но я получил модули с маркировкой FC-114. Они используют ту же плату расширения, что и zs-040, но имеют другие пины, припаянные между Bluetooth-модулем и платой расширения, и совершенно другую прошивку.

HC-05 FC-114 и HC-06 FC-114

Маленькая кнопка по-прежнему подключена к пину 34 и по-прежнему устанавливает пин 34 в HIGH, однако на платах FC-114 пин 34 — это обычный IO-пин, и нажатие кнопки ничего не делает. На платах zs-040 нажатие кнопки и установка пина 34 в HIGH переводит модули в AT-режим. Поскольку FC-114 запускается в AT-режиме, это не большая потеря.

Мне потребовалось некоторое время, чтобы разобраться в различиях.

При включении модули идентифицируют себя как «AEGIN» и по умолчанию работают в режиме Slave со скоростью 9600 бод. Процесс использования в режиме Slave — подключение к Arduino и связь с Android-устройством — аналогичен другим модулям.

Как и другие HC-05 и HC-06, платы имеют стабилизатор напряжения на входе VCC и принимают напряжение от 3,6 В до 6 В, однако остальные пины работают только на 3,3 В. Это значит, что вы можете питать платы от шины 5 В через VCC, но не должны подключать другие пины напрямую к 5 В.

HC-05 FC-114

Я предполагал, что они такие же, как другие HC-05, но не мог найти, как войти в AT-режим. Случайно я сбросил модуль при открытом мониторе порта и получил стартовое сообщение.

Стартовое сообщение HC-05 FC-114

Это показывает сайт производителя, что модуль в режиме Slave и что он имеет команду «AT+HELP».

Быстрый ввод «AT+HELP» — и я получил список AT-команд.

Список AT-команд HC-05 FC-114

Это значит, что модули не имеют отдельного AT-режима, как другие HC-05. При запуске они находятся в режиме Slave и принимают команды. После установления соединения модули переходят в режим связи, и AT-команды больше не работают. В режиме связи всё, что модуль получает, рассматривается как данные и отправляется подключённому устройству.

AT+VERSION возвращает номер версии прошивки:

+BOLUTEK Firmware V2.43, Bluetooth V2.0, HCI V2.1, HCI Rev37, LMP V4, LMP SubV37

HC-06 FC-114

HC-06 используют ту же плату расширения, что и HC-05, но имеют некоторые отличия:

  • нет кнопки,

  • нет разъёма на пине EN,

  • нет разъёма на пине STATE.

Пин EN

Когда пин EN установлен в LOW (подключён к земле), модули отключаются.

Пин STATE

Пин STATE на платах расширения подключён к пинам 25 и 32 на маленьком Bluetooth-модуле. На FC-114 пин 32 — обычный IO-пин, а пин 25 — MCU_INT. На полученных мной платах пин 25 не был подключён к плате расширения, и поэтому пин STATE не был подключён. После подключения пина 25 к плате расширения пин STATE работает как ожидается: LOW при отсутствии подключения и HIGH при подключении.

Похоже, что HC-06 FC-114 имеют ту же прошивку, что и HC-05 FC-114. «AT+HELP» выдаёт тот же список AT-команд, и «AT+VERSION» сообщает ту же версию прошивки: «+BOLUTEK Firmware V2.43, Bluetooth V2.0, HCI V2.1, HCI Rev37, LMP V4, LMP SubV37» — это должно означать, что HC-06 могут использоваться как устройства Master.

BLK-MD-BC04-B

Сайт производителя дал мне номер модели Bluetooth-модулей.

Модуль BLK-MD-BC04-B

Посещение http://www.bolutek.cn показывает, что дочерние Bluetooth-платы — модель BLK-MD-BC04-B.

С сайта производителя мы узнаём, что:

BLK-MD-BC04-B — это Bluetooth серийный модуль для OEM-производителей, которые хотят реализовать Bluetooth-функциональность в своих продуктах экономично и быстро. BC04-B поддерживает интерфейсы UART, USB, I2C, PCM, PIO для связи с OEM-продуктами.

BC04-B поставляется с прошивкой, совместимой с Bluetooth v2.0, которая внутренне работает для приложений SPP (Serial Port Profile) по умолчанию. Он основан на чипе CSR BC04 External с интегрированной антенной, и с предоставленной прошивкой может легко использоваться для различных Bluetooth-продуктов.

BC04-B полностью сертифицирован по спецификации Bluetooth v2.0+EDR, что позволяет OEM-производителям экономить затраты и время на общую сертификацию продуктов. Это делает BC04-B идеальным решением для крупносерийных и чувствительных к стоимости приложений.

Технические характеристики

  • Протокол Bluetooth: Bluetooth Specification v2.0 + EDR

  • Протокол USB: USB v1.1/2.0

  • Частота: 2,4 ГГц ISM-диапазон

  • Модуляция: GFSK (Gaussian Frequency Shift Keying)

  • Мощность передачи: <= 4 дБм, Класс 2

  • Чувствительность: <= -84 дБм при 0,1% BER

  • Скорость: 2,1 Мбит/с (макс.) / 160 кбит/с (асинхронная); 1 Мбит/с / 1 Мбит/с (синхронная)

  • Безопасность: аутентификация и шифрование

  • Поддерживаемые профили: Bluetooth serial port (master & slave)

  • Питание: +3,3 В, 50 мА

  • Рабочая температура: -20 ~ +55 °C

  • Размеры: 26,9 мм x 13 мм x 2,2 мм

Стоит отметить энергопотребление: 3,3 В при 50 мА. Я не знаю, является ли 50 мА постоянным или максимальным потреблением (вероятно, максимальным), и это слишком много для обычного пина Arduino, поэтому модули не следует подключать к обычному пину Arduino.

Их можно безопасно питать от вывода 5V Arduino, но стоит помнить, что пин 5V может обеспечить до 200 мА, поэтому при добавлении других устройств/датчиков нужно следить за общим потреблением тока.

Когда я получил номер модели, найти дополнительную информацию в интернете стало довольно легко — это не новые модули, просто новые для меня. Возможно, ранее их не устанавливали на эти платы расширения.

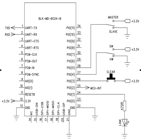
Пины BLK-MD-BC04-B

Хотя маленькие модули выглядят так же, как в других HC-05 и HC-06, прошивка Bolutek использует другие пины.

Распиновка BLK-MD-BC04-B

Из этого видно, что:

  • Пин 24 — для светодиода статуса. Подключён к светодиоду на плате расширения.

  • Пин 26 — сброс. Не подключён.

  • Пин 27 — определяет, можно ли выбрать режим Master программно или аппаратно.

  • Пин 28 — используется для выбора Master или Slave аппаратно.

Пин 26 (сброс):

  • Короткое нажатие = очистка памяти.

  • Длительное нажатие (3+ секунды) = восстановление настроек по умолчанию.

Если пин 27 в HIGH — режим Master можно установить программно. Если пин 27 в LOW — нужно использовать аппаратный способ (пин 28) для выбора режима Master.

Когда пин 27 в LOW (или не подключён), пин 28 используется для выбора режима Slave или Master:

  • Пин 27 LOW + пин 28 LOW = режим Slave.

  • Пин 27 LOW + пин 28 HIGH = режим Master.

Пины FC-114

На полученных мной модулях пины 27 и 28 не подключены. Это означает, что, по крайней мере на данный момент, я не могу установить модули в режим Master программно. Попытка переключения в Master с помощью «AT+ROLE1» даёт «OK», но, похоже, фактически не переводит модули в режим Master без правильного подключения пинов. Однако это ранние эксперименты, и я ещё толком не работал с этими модулями.

Мне нужно исследовать это подробнее, но, вероятно, если я захочу использовать эти модули в режиме Master, мне придётся припаять провода к пинам 27 и 28.

Обновлено 10.08.2015. В итоге я припаял провод к пину 27. Смотрите HC-05 FC-114 и HC-06 FC-114. Часть 3 — Режим Master и автоподключение.

Плата расширения FC-114

Загрузки

Ссылки

Далее