Плата для программирования ESP8266-01

Эта статья описывает самодельную 5V плату для программирования ESP8266-01, разработанную для упрощения процесса программирования и уменьшения случайных повреждений компонентов.

Плата для программирования ESP8266-01

Проблема

Автор описывает разочарование от программирования на макетной плате, отмечая повторяющиеся выходы из строя ESP8266-01 из-за случайного короткого замыкания VCC/GND при перестановке проводов во время разработки.

Плата крупным планом

Эволюция дизайна

Упоминаются три версии платы:

  • Версия 1: работоспособная, но неудобная разводка проводов

  • Версия 2: улучшенный макет, но всё ещё требовала внешнее питание и управление резисторами

  • Версия 3: самодостаточная плата для программирования (представленный дизайн)


Распиновка ESP8266-01

Распиновка ESP8266-01

Возможности платы

Плата включает:

  • Встроенную регуляцию напряжения 5V -> 3.3V (модуль AMS1117)

  • Переключатель режима программирования GPIO 0 с подтягивающим резистором 10 кОм

  • Кнопку сброса для перезагрузки модуля

  • Индикаторный светодиод на GPIO 2 с выбираемым резистором 330 Ом через перемычку

  • Делитель напряжения (резисторы 1 кОм + 2 кОм) для преобразования уровня линии RX

Модуль регулятора AMS1117 3.3V

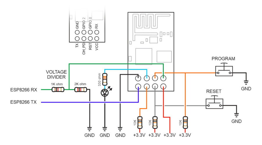
Принципиальная схема

Принципиальная схема платы

Макет платы

Инструкция по режиму программирования

Для входа в режим программирования: нажмите и удерживайте кнопку PROGRAM, нажмите кнопку RESET, отпустите кнопку PROGRAM.


Ключевые детали схемы

  • CH_PH подтянут к HIGH через резистор 10 кОм для нормального запуска

  • GPIO 0 подтягивается к LOW для входа в режим программирования

  • Пин RESET для перезагрузки модуля

Плата -- вид спереди

Плата -- вид сзади

Планы улучшений (Версия 4)

Автор предлагает улучшения для версии 4: использование розеточных разъёмов вместо штырьков, прямая совместимость с USB-to-serial адаптером и вертикальная установка светодиода для улучшения эстетики.