Спецификация форм-фактора семейства Nicla

Наш самый компактный корпус с расширенными возможностями.

Автор: Dario Pennisi

Последнее обновление: 30.09.2025

Данный документ описывает философию проектирования и технические характеристики форм-фактора Nicla, и должен использоваться как руководство при разработке плат и аксессуаров (шилдов/несущих плат), совместимых с этим форм-фактором.

Форм-фактор Nicla

Форм-фактор Nicla разработан с учётом потребностей промышленных приложений и производителей, которым нужен универсальный пакет с функциями беспроводного сбора данных. Ключевой акцент сделан на сборе и обработке данных на периферии при минимальном энергопотреблении. Платы Nicla интегрируют специализированные датчики и высокопроизводительные микроконтроллеры, способные обрабатывать необработанные данные в режиме реального времени и предоставлять измерения высокого уровня хост-плате или основному приложению. Платы Nicla поддерживают программируемое напряжение ввода-вывода в диапазоне от 1,8 до 3,3 В, опорное напряжение для которого может подаваться извне или генерироваться внутренне.

Семейство Nicla разработано для удовлетворения следующих ключевых требований:

  • Низкое энергопотребление

  • Встроенная обработка данных датчиков с возможностями ИИ

  • Беспроводная связь

  • Частичная совместимость с форм-фактором MKR

  • Промышленный температурный диапазон

Платы Nicla разработаны для следующих трёх сценариев использования:

  • Автономный режим — Платы Nicla могут использоваться как традиционные платы Arduino, на которые пользователь загружает готовое приложение. В этом сценарии микроконтроллер Nicla выполняет всё приложение целиком, а его интерфейсы используются для связи с внешними датчиками и исполнительными устройствами.

  • Периферия ESLOV — Платы Nicla могут подключаться через разъём ESLOV, состоящий из 5 контактов, включая шину I2C, источник питания и GPIO. Через этот разъём плата может сопрягаться с платами MKR напрямую или, с помощью адаптерных кабелей, с другими платами, предоставляющими аналогичные интерфейсы, такими как QWIIC, STEMMA/STEMMA QT и GROVE. Платы Nicla поставляются с готовой прошивкой, которая абстрагирует датчики и позволяет считывать измерения высокого уровня, обработанные основным процессором Nicla.

  • Шилд для MKR — Платы Nicla могут устанавливаться на плату MKR в качестве шилда. В этом сценарии MKR выполняет основное приложение и взаимодействует с Nicla через I2C так же, как через ESLOV.

  • Беспроводной режим — Платы Nicla могут работать от аккумулятора и передавать данные беспроводным способом центральному процессору. Как и в других сценариях, Nicla обрабатывает данные датчиков и предоставляет обработанную информацию высокого уровня.

Механические характеристики

Размер и форма платы

Форм-фактор Nicla имеет квадратную форму со стороной 900 мил, не считая выступов разъёмов, предназначенных для прохождения сквозь корпус. Несмотря на то что плата квадратная, её форма и разъёмы асимметричны, что исключает неправильную ориентацию при подключении.

Размеры платы Nicla

Размеры платы Nicla

Для создания единой экосистемы и возможности изготовления корпусов, совместимых со всем семейством, форм-фактор Nicla фиксирует следующие механические позиции:

  • Разъёмы плата-плата

    • Гребёнки ввода-вывода

    • Отладочные «плавники» (fins)

  • Пользовательский интерфейс

    • Кнопка

    • RGB-светодиод

  • Разъёмы плата-кабель

    • USB-разъём

    • Разъём аккумулятора

    • Разъём ESLOV

Гребёнки (Headers)

Размеры гребёнок Nicla

Размеры гребёнок Nicla

Плавники (Fins)

Размеры плавников Nicla

Размеры плавников Nicla

Пользовательский интерфейс

Размеры пользовательского интерфейса Nicla

Размеры пользовательского интерфейса Nicla

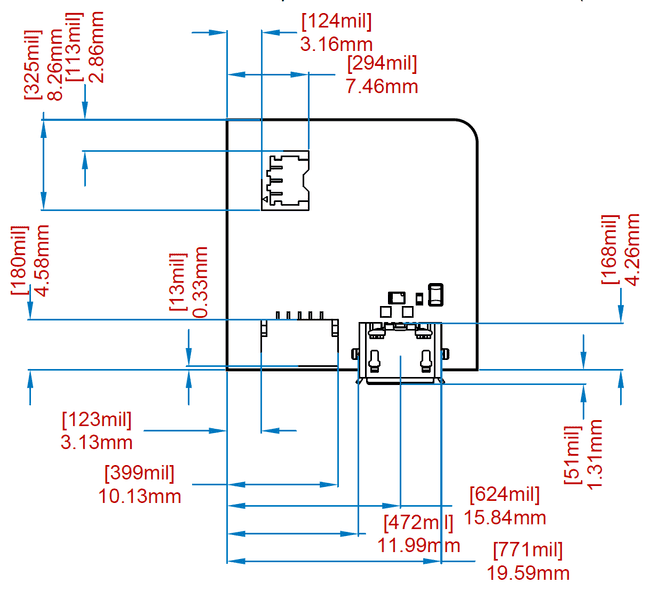
Разъёмы

Размеры разъёмов Nicla

Размеры разъёмов Nicla

Питание

Платы Nicla могут получать питание от четырёх различных источников:

  • USB-разъём

  • Разъём ESLOV

  • Контакт Vin

  • Аккумулятор

При питании от USB, Vin или ESLOV плата может заряжать аккумулятор, если программа настроена соответствующим образом. Все напряжения могут присутствовать одновременно без каких-либо проблем, поскольку три напряжения объединяются через диоды. Контакт Vin подключён напрямую к PMIC, тогда как два других источника проходят через диоды — это означает, что разъём ESLOV не может питать внешние устройства и предназначен преимущественно для работы в режиме периферии.

Платы Nicla оснащены встроенным зарядным устройством для однобаночных литий-полимерных аккумуляторов с программируемым током заряда, зависящим от конкретной платы. Все платы поддерживают режим сна, при котором ток потребления от аккумулятора сведён к минимуму, а система остаётся выключенной до нажатия кнопки сброса.

Внешние интерфейсы

Гребёнки (Headers)

Контакты гребёнки ввода-вывода управляются двунаправленным преобразователем уровней напряжения, позволяющим разделить напряжение ввода-вывода и внутреннее напряжение ЦПУ. Контакты гребёнки привязаны к контакту VDDIO, который может генерироваться внутренне с программируемым напряжением или подаваться извне. Плата имеет два ряда контактов гребёнки с металлизированными площадками, частично совместимых с форм-фактором MKR. В частности, платы Nicla разработаны так, чтобы плата Nicla могла устанавливаться в первую половину разъёмов MKR.

Используя это подключение, можно применять Nicla в качестве шилда для MKR или использовать Nicla как контроллер для шилдов MKR при условии, что шилд не использует отсутствующие контакты.

Распиновка

Гребёнка J1

Контакт

Название

Контакт MKR

Описание

J1-8

ADC1

A0

Аналоговый контакт

J1-7

ADC2

A1

Аналоговый контакт

J1-6

SCLK

A2

Тактовый сигнал SPI

J1-5

CIPO

A3

SPI: вход контроллера / выход периферии

J1-4

COPI

A4

SPI: выход контроллера / вход периферии

J1-3

CS

A5

Выбор кристалла SPI

J1-2

ADC3

A6

Аналоговый контакт

J1-1

LPIO0

A7

Маломощный ввод-вывод

Гребёнка J2

Контакт

Название

Контакт MKR

Описание

J2-9

VIN

+5V

Входное напряжение питания

J2-8

-

VIN

Не подключён

J2-7

VDDIO

+3V3

Напряжение ввода-вывода гребёнки

J2-6

GND

GND

Общий провод (земля)

J2-5

LPIO3

RESET

Маломощный ввод-вывод

J2-4

LPIO2

D14/TX

Маломощный ввод-вывод / UART

J2-3

LPIO1

D13/RX

Маломощный ввод-вывод / UART

J2-2

SCL

D12/SDA

GPIO/I2C SDA, общий с ESLOV

J2-1

SDA

D11/SDA

GPIO/I2C SCL, общий с ESLOV

Гребёнка J3

Контакт

Название

Контакт MKR

Описание

J3-2

VBAT

-

Положительный вывод аккумулятора

J3-1

NTC

-

Дополнительный датчик NTC для защиты аккумулятора от перегрева

Маломощные линии ввода-вывода (Low Power I/Os)

Как указано в таблице выше, платы Nicla оснащены набором маломощных линий ввода-вывода. Эти линии транслируются через 8-битный двунаправленный преобразователь уровней напряжения с автоматическим определением направления (подробнее см. даташит TXB0108) и питаются от VDDIO_EXT. Данный преобразователь позволяет конвертировать логические уровни со входов, работающих при 3,3 В или ниже, до 1,8 В (то есть рабочего напряжения микроконтроллера). Однако он не имеет направляющих контактов, поскольку каждый вход и выход, подключённый к нему, может обнаруживать и преобразовывать сигналы в обоих направлениях независимо и автоматически. Следовательно, номинальное поведение этих контактов гарантировано только при подключении к логике CMOS. В следующем разделе описывается взаимодействие с маломощными контактами в режиме входа или выхода.

Маломощные входные контакты

К маломощным контактам можно подключить любое входное устройство, работающее при напряжении не более 3,3 В. Встроенный преобразователь уровней напряжения автоматически определит, что к контакту подключено входное устройство, и обеспечит преобразование с 3,3 В до 1,8 В — рабочего напряжения микроконтроллера — для корректного сопряжения с платами Nicla.

Маломощные выходные контакты

К маломощным контактам можно напрямую подключить любое маломощное устройство при условии, что оно не потребляет ток. Преобразователь уровней напряжения автоматически определит, что к контакту подключено выходное устройство, и переключит порт соответствующим образом. Выходное напряжение является цифровым, и его значение зависит от того, как VDDIO_EXT запрограммирован программно: VDDIO_EXT может быть отключён или включён на 1,8 В либо 3,3 В. С другой стороны, если подключённое выходное устройство требует потребления тока (например, светодиоды, резистивные нагрузки, зуммеры и т. д.), пользователю следует подключить MOSFET или буфер для обеспечения необходимого тока. Ниже приведена принципиальная схема подключения светодиода к маломощному контакту через MOSFET.

Принципиальная схема подключения светодиода

Принципиальная схема подключения светодиода

Плавники (Fins)

На платах Nicla имеется набор плавников, расположенных между контактами гребёнок, предназначенных преимущественно для отладки и первоначального программирования. Эти контакты расположены таким образом, что к ним легко можно прикоснуться, вставив плату в двухрядную гребёнку с шагом 1,27 мм/50 мил, которая позволит надёжно контактировать с плавниками вместе с контактами гребёнки при условии, что гребёнка не была припаяна. Функции каждого плавника специфичны для конкретной платы, однако контакты SWD для встроенных процессоров настроены единообразно для всего семейства плат.

Распиновка

Плавники (Fins)

Контакт

Название

Описание

P-8

AUX3

Вспомогательный контакт 3

P-7

+1V8

Внутреннее питание 1,8 В

P-6

AUX2

Вспомогательный контакт 2

P-5

RESET

Контакт сброса основного MCU

P-4

SWCLK

Тактовый сигнал SW-отладчика основного MCU

P-3

SWDIO

Линия данных SW-отладчика основного MCU

P-2

AUX1

Вспомогательный контакт 1

P-1

AUX0

Вспомогательный контакт 0

Аккумулятор

Клеммы аккумулятора доступны как через 3-контактный разъём, так и через гребёнку. В обоих случаях поддерживается однобаночный литий-полимерный аккумулятор. Проверьте даташит платы для получения информации о доступных вариантах тока заряда и убедитесь, что никогда не заряжаете аккумулятор выше рекомендованного максимального предела. По возможности используйте разъём NTC для подключения резистора с отрицательным температурным коэффициентом для контроля температуры аккумулятора, чтобы зарядка прекращалась при достижении запрограммированного температурного предела.

Распиновка

Разъём аккумулятора J4

Контакт

Название

Описание

J4-3

GND

Отрицательная клемма аккумулятора

J4-2

NTC

Дополнительный датчик NTC для защиты от перегрева аккумулятора

J4-1

VBAT

Положительная клемма аккумулятора

ESLOV

ESLOV — это 5-контактный разъём, доступный на платах MKR и Portenta, который используется для подключения к Nicla через кабель. Через этот разъём плата может сопрягаться с платами MKR и Portenta напрямую или, с помощью адаптерных кабелей, с другими платами, предоставляющими аналогичные интерфейсы, такими как QWIIC, STEMMA/STEMMA QT и GROVE. Платы Nicla поставляются с готовой прошивкой, которая абстрагирует датчики и позволяет считывать измерения высокого уровня, обработанные основным процессором Nicla.

Распиновка

Разъём ESLOV J5

Контакт

Название

Описание

J5-5

GND

Земля

J5-4

SDA

GPIO/I2C SDA, общий с гребёнками

J5-3

SCL

GPIO/I2C SCL, общий с гребёнками

J5-2

INT

GPIO, привязанный к напряжению VDDIO

J5-1

VESLOV

Входное напряжение питания ESLOV

USB

USB-разъём представляет собой micro-USB, при этом Nicla может работать только в режиме периферии. Напряжение от этого разъёма может использоваться для питания платы. USB-порт может применяться для программирования и отладки платы, а также для предоставления пользовательских интерфейсов, специфичных для приложения.