Тестер батареек

В этом эксперименте мы выводим на жидкокристаллический дисплей данные о напряжении, измеренном на батарейке.

Список деталей для эксперимента

  • 1 плата Arduino Uno

  • 1 беспаечная макетная плата

  • 2 резистора номиналом 10 кОм

  • 1 выпрямительный диод

  • 1 текстовый экран

  • 16 проводов «папа-папа»

  • 1 клеммник

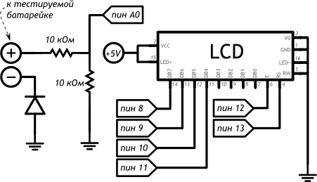
Принципиальная схема

Принципиальная схема

Схема на макетке

Схема на макетке

Обратите внимание

  • Мы подключаем «плюс» батарейки через делитель напряжения с равными плечами (R1 = R2 = 10 кОм), таким образом деля подаваемое напряжение пополам. Поскольку в аналоговый вход Arduino мы можем подавать до 5В, мы можем измерять напряжение до 10В. Не пробуйте измерять большее напряжение, вы можете повредить плату!

  • На принципиальной схеме внутри изображения дисплея подписаны названия его выводов согласно datasheet, а снаружи — номера его ножек.

  • Ножки нашего ЖК-дисплея нумеруются не подряд: 15 и 16 ножки находятся перед 1.

  • Диод пригодится, если пользователь тестера перепутает «+» и «-» батарейки, главное нам самим не забыть про направление, в котором через диод может течь ток, и установить его верно!

Скетч

// p180_lcd.ino
// Подключаем библиотеку для работы с жидкокристаллическим
// экраном (англ. Liquid Crystal Display или просто LCD)
#include <LiquidCrystal.h>
// на диоде, защищающем от неверной полярности, падает доля
// напряжения (англ. voltage drop). Необходимо это учитывать
#define DIODE_DROP  0.7
// Объявляем объект, для управления дисплеем. Для его создания
// необходимо указать номера пинов, к которым он подключен в
// порядке:       RS   E DB4 DB5 DB6 DB7
LiquidCrystal lcd(13, 12, 11, 10,  9,  8);

void setup()
{
  // начинаем работу с экраном. Сообщаем объекту количество
  // строк и столбцов. Опять же, вызывать pinMode не требуется:
  // функция begin сделает всё за нас
  lcd.begin(16, 2);
  // печатаем сообщение на первой строке
  lcd.print("Battery voltage:");
}

void loop()
{
  // высчитываем напряжение подключенной батарейки
  float voltage = analogRead(A0) / 1024.0 * 10.0;
  // если напряжение на делителе напряжения было зафиксировано,
  // нужно прибавить напряжение на диоде, т.к. оно было съедено
  if (voltage > 0.1)
    voltage += DIODE_DROP;
  // устанавливаем курсор, колонку 0, строку 1. На деле — это
  // левый квадрат 2-й строки, т.к. нумерация начинается с нуля
  lcd.setCursor(0, 1);
  // печатаем напряжение в батарейке с точностью до сотых долей
  lcd.print(voltage, 2);
  // следом печатаем единицы измерения
  lcd.print(" Volts");
}

Пояснения к коду

  • Если вы используете диод, падение напряжения на котором происходит на другую величину, не забудьте исправить макроопределение DIODE_DROP.

  • В этом эксперименте мы снова пользуемся готовой библиотекой <LiquidCrystal.h> для создания объекта lcd и использования его методов: - lcd.begin(cols,rows) — задаём количество колонок и строк нашего дисплея. - lcd.print(data) — вывод данных. У него есть второй необязательный параметр BASE, передав который, можно выбрать систему счисления, так же, как в примере с Serial.print(). - lcd.setCursor(col,row) — устанавливает курсор в переданную колонку и строку. Последующий вывод будет осуществляться с этого места.

  • При создании lcd мы передали параметрами пины, к которым подключены выводы дисплея, через которые мы будем им управлять и передавать данные.

  • О том, как выводить текст кириллицей, и о других подробностях работы с дисплеем в нашей вики есть отдельная статья.

Вопросы для проверки себя

  1. Из-за чего измерения напряжения в этом эксперименте могут быть неточными (на что мы можем повлиять)?

  2. Какая библиотека облегчает работу с нашим текстовым экраном? Какие шаги нужно предпринять до начала вывода текста на него?

  3. Каким образом мы задаем позицию, с которой на экран выводится текст?

  4. Можем ли мы писать на экране кириллицей? Как?

Задания для самостоятельного решения

  1. Возможно, вы захотите воспользоваться еще одним методом вашего объекта lcdclear(): он очищает экран и устанавливает курсор в левую колонку верхней строчки.

  2. Создайте секундомер, который будет отсчитывать время, прошедшее с начала работы Arduino и выводить секунды и сотые секунд на экран.

  3. Совместите отсчет времени и измерение напряжения. Отобразите все данные на дисплее. Отправляйте их раз в 10 секунд на компьютер.

  4. Теперь вы можете выводить без компьютера и проводов любые данные, с которыми работаете, и использовать это как в режиме эксплуатации вашего устройства, так и во время отладки!