Счётчик нажатий
В этом эксперименте мы выводим на семисегментный индикатор количество нажатий на кнопку (единицы).
Список деталей для эксперимента
1 плата Arduino Uno
1 беспаечная макетная плата
1 тактовая кнопка
1 выходной сдвиговый регистр 74HC595
1 семисегментный индикатор
7 резисторов номиналом 220 Ом
24 провода «папа-папа»
Для дополнительного задания:
1 фоторезистор
1 резистор номиналом 10 кОм
еще 1 провод
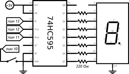
Принципиальная схема

Схема на макетке

Обратите внимание
В этом эксперименте мы впервые используем микросхему, в данном случае — выходной сдвиговый регистр
74HC595
. Микросхемы полезны тем, что позволяют решать определенную задачу, не собирая каждый раз стандартную схему.Выходной сдвиговый регистр дает нам возможность «сэкономить» цифровые выходы, использовав всего 3 вместо 8. Каскад регистров позволил бы давать 16 и т.д. сигналов через те же три пина.
Перед использованием микросхемы нужно внимательно изучить схему ее подключения в datasheet’е. Для того, чтобы понять, откуда считать ножки микросхемы, на них с одной стороны есть полукруглая выемка. Если мы расположим нашу
74HC595
выемкой влево, то в нижнем ряду будут ножки 1—8, а в верхнем 16—9.На принципиальной схеме нашего эксперимента ножки расположены в другом порядке, чтобы не вышло путаницы в соединениях. Назначения выводов согласно datasheet’у подписаны внутри изображения микросхемы, номера ножек — снаружи.
Напомним, что на изображении семисегментного индикатора подписаны номера его ножек и их соответствие сегментам.
Скетч
// p140_seven_segment_clicker.ino
#define DATA_PIN 13 // пин данных (англ. data)
#define LATCH_PIN 12 // пин строба (англ. latch)
#define CLOCK_PIN 11 // пин такта (англ. clock)
#define BUTTON_PIN 10
int clicks = 0;
boolean buttonWasUp = true;
byte segments[10] = {
0b01111101, 0b00100100, 0b01111010, 0b01110110, 0b00100111,
0b01010111, 0b01011111, 0b01100100, 0b01111111, 0b01110111
};
void setup()
{
pinMode(DATA_PIN, OUTPUT);
pinMode(CLOCK_PIN, OUTPUT);
pinMode(LATCH_PIN, OUTPUT);
pinMode(BUTTON_PIN, INPUT_PULLUP);
}
void loop()
{
// считаем клики кнопки, как уже делали это раньше
if (buttonWasUp && !digitalRead(BUTTON_PIN)) {
delay(10);
if (!digitalRead(BUTTON_PIN))
clicks = (clicks + 1) % 10;
}
buttonWasUp = digitalRead(BUTTON_PIN);
// для записи в 74HC595 нужно притянуть пин строба к земле
digitalWrite(LATCH_PIN, LOW);
// задвигаем (англ. shift out) байт-маску бит за битом,
// начиная с младшего (англ. Least Significant Bit first)
shiftOut(DATA_PIN, CLOCK_PIN, LSBFIRST, segments[clicks]);
// чтобы переданный байт отразился на выходах Qx, нужно
// подать на пин строба высокий сигнал
digitalWrite(LATCH_PIN, HIGH);
}
Пояснения к коду
Обратите внимание, что в этом эксперименте кодировки символов отличаются от кодировок из эксперимента «Секундомер».
Для того, чтобы передать порцию данных, которые будут отправлены через сдвиговый регистр далее, нам нужно подать
LOW
наlatch pin
(входSTcp
микросхемы), затем передать данные, а затем отправитьHIGH
наlatch pin
, после чего на соответствующих выходах74HC595
появится переданная комбинация высоких и низких уровней сигнала.Для передачи данных мы использовали функцию
shiftOut(dataPin, clockPin, bitOrder, value)
. Функция ничего не возвращает, а в качестве параметров ей нужно сообщить: - пин Arduino, который подключен ко входуDS
микросхемы (data pin), - пин Arduino, соединенный со входомSHcp
(clock pin), - порядок записи битов:LSBFIRST
(least significant bit first) — начиная с младшего, илиMSBFIRST
(most significant bit first) — начиная со старшего, - байт данных, который нужно передать. Функция работает с порциями данных в один байт, так что если вам нужно передать больше, придется вызывать её несколько раз.
Вопросы для проверки себя
Для чего нужны микросхемы? Для чего нужен выходной сдвиговый регистр?
Как найти ножку микросхемы, на которую отправляются данные?
Что нужно сделать до и после отправки собственно данных на
74HC595
?Сколько данных можно передать с помощью
shiftOut()
и как управлять порядком их передачи?
Задания для самостоятельного решения
Заставьте
shiftOut()
отправлять биты, начиная со старшего, и измените код так, чтобы счетчик по-прежнему показывал арабские цифры.Замените кнопку на датчик света (фоторезистор в схеме делителя напряжения) и переделайте программу так, чтобы индикатор цифрой показывал уровень освещенности.